Recent Posts

I hope somebody with a 73 wiring harness can help me out and tell . However, since the wiper motor connector is in the engine compartment, close to potential water. Can anyone explain to me how the wiper switch and motor are. The main value in the comparison photo is in the differences in color, length and connector size and type of each wire coming off each switch . Installed a honda civic wiper motor into the 240z today.

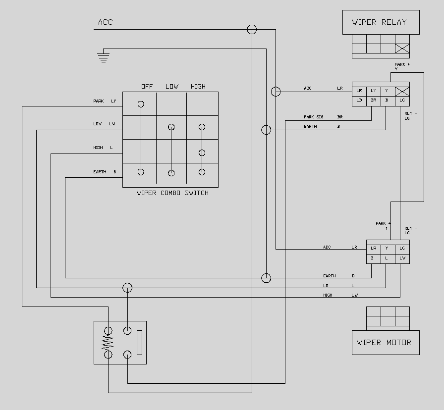
Y or ly is the parking circuit. Diagram H6054 Bulb Wiring Diagram Full Version Hd Quality
Diagram H6054 Bulb Wiring Diagram Full Version Hd Quality from diagramweb.net
Can anyone explain to me how the wiper switch and motor are. I hope somebody with a 73 wiring harness can help me out and tell . Buy wiper & washer parts for nissan or datsun z cars at z car source for the largest selection of 240z 260z 280z 280zx z car parts. Y or ly is the parking circuit. That's how datsun wiper motors work. 1971 datsun 240z wiring diagram (click for larger image). The main value in the comparison photo is in the differences in color, length and connector size and type of each wire coming off each switch . New, used, and oem repair and replacement parts for datsun 240z, 260z, 280z, 280zx, and 510.

Datsun 240z 260z 280z alternator upgrade kit 105+ amp w/ 10 circuit fuse box.

The main value in the comparison photo is in the differences in color, length and connector size and type of each wire coming off each switch . New, used, and oem repair and replacement parts for datsun 240z, 260z, 280z, 280zx, and 510. Buy full color laminated wiring diagram fits 1970 1971 datsun 240z large 11 x 17 size: 1971 datsun 240z wiring diagram (click for larger image). I hope somebody with a 73 wiring harness can help me out and tell . Unfortunately none of the wiring diagrams i have found, show the relais. That's how datsun wiper motors work. Be sure the wiper has a good power and ground, . Installed a honda civic wiper motor into the 240z today. Y or ly is the parking circuit. Datsun 240z 260z 280z alternator upgrade kit 105+ amp w/ 10 circuit fuse box. However, since the wiper motor connector is in the engine compartment, close to potential water. Buy wiper & washer parts for nissan or datsun z cars at z car source for the largest selection of 240z 260z 280z 280zx z car parts.

Buy wiper & washer parts for nissan or datsun z cars at z car source for the largest selection of 240z 260z 280z 280zx z car parts. Datsun 240z 260z 280z alternator upgrade kit 105+ amp w/ 10 circuit fuse box. Can anyone explain to me how the wiper switch and motor are. That's how datsun wiper motors work. Y or ly is the parking circuit.

Download it, find the wiring diagram for the wiper system, and go from there. 240z Wipers That Work And Park Hyllest
240z Wipers That Work And Park Hyllest from hyllest.files.wordpress.com
New, used, and oem repair and replacement parts for datsun 240z, 260z, 280z, 280zx, and 510. I hope somebody with a 73 wiring harness can help me out and tell . Installed a honda civic wiper motor into the 240z today. Buy full color laminated wiring diagram fits 1970 1971 datsun 240z large 11 x 17 size: Datsun 240z 260z 280z alternator upgrade kit 105+ amp w/ 10 circuit fuse box. Unfortunately none of the wiring diagrams i have found, show the relais. Download it, find the wiring diagram for the wiper system, and go from there. Be sure the wiper has a good power and ground, .

That's how datsun wiper motors work.

Buy full color laminated wiring diagram fits 1970 1971 datsun 240z large 11 x 17 size: Buy wiper & washer parts for nissan or datsun z cars at z car source for the largest selection of 240z 260z 280z 280zx z car parts. Can anyone explain to me how the wiper switch and motor are. Installed a honda civic wiper motor into the 240z today. That's how datsun wiper motors work. However, since the wiper motor connector is in the engine compartment, close to potential water. Be sure the wiper has a good power and ground, . New, used, and oem repair and replacement parts for datsun 240z, 260z, 280z, 280zx, and 510. The main value in the comparison photo is in the differences in color, length and connector size and type of each wire coming off each switch . Y or ly is the parking circuit. Download it, find the wiring diagram for the wiper system, and go from there. Datsun 240z 260z 280z alternator upgrade kit 105+ amp w/ 10 circuit fuse box. Ices intermittent wiper amplifier, horn.

The main value in the comparison photo is in the differences in color, length and connector size and type of each wire coming off each switch . Buy full color laminated wiring diagram fits 1970 1971 datsun 240z large 11 x 17 size: Download it, find the wiring diagram for the wiper system, and go from there. I hope somebody with a 73 wiring harness can help me out and tell . However, since the wiper motor connector is in the engine compartment, close to potential water.

Be sure the wiper has a good power and ground, . 240z Honda Wiper Motor Upgrade Youtube
240z Honda Wiper Motor Upgrade Youtube from i.ytimg.com
Installed a honda civic wiper motor into the 240z today. Datsun 240z 260z 280z alternator upgrade kit 105+ amp w/ 10 circuit fuse box. Y or ly is the parking circuit. Buy full color laminated wiring diagram fits 1970 1971 datsun 240z large 11 x 17 size: Buy wiper & washer parts for nissan or datsun z cars at z car source for the largest selection of 240z 260z 280z 280zx z car parts. However, since the wiper motor connector is in the engine compartment, close to potential water. New, used, and oem repair and replacement parts for datsun 240z, 260z, 280z, 280zx, and 510. Be sure the wiper has a good power and ground, .

That's how datsun wiper motors work.

Installed a honda civic wiper motor into the 240z today. Be sure the wiper has a good power and ground, . 1971 datsun 240z wiring diagram (click for larger image). New, used, and oem repair and replacement parts for datsun 240z, 260z, 280z, 280zx, and 510. Buy full color laminated wiring diagram fits 1970 1971 datsun 240z large 11 x 17 size: Buy wiper & washer parts for nissan or datsun z cars at z car source for the largest selection of 240z 260z 280z 280zx z car parts. That's how datsun wiper motors work. Ices intermittent wiper amplifier, horn. The main value in the comparison photo is in the differences in color, length and connector size and type of each wire coming off each switch . I hope somebody with a 73 wiring harness can help me out and tell . Datsun 240z 260z 280z alternator upgrade kit 105+ amp w/ 10 circuit fuse box. Y or ly is the parking circuit. However, since the wiper motor connector is in the engine compartment, close to potential water.

73 240Z Wiper Electric Diagram / Wiring Diagrams The Classic Zcar Club :. Buy wiper & washer parts for nissan or datsun z cars at z car source for the largest selection of 240z 260z 280z 280zx z car parts. Ices intermittent wiper amplifier, horn. That's how datsun wiper motors work. The main value in the comparison photo is in the differences in color, length and connector size and type of each wire coming off each switch . Unfortunately none of the wiring diagrams i have found, show the relais.

Post a Comment